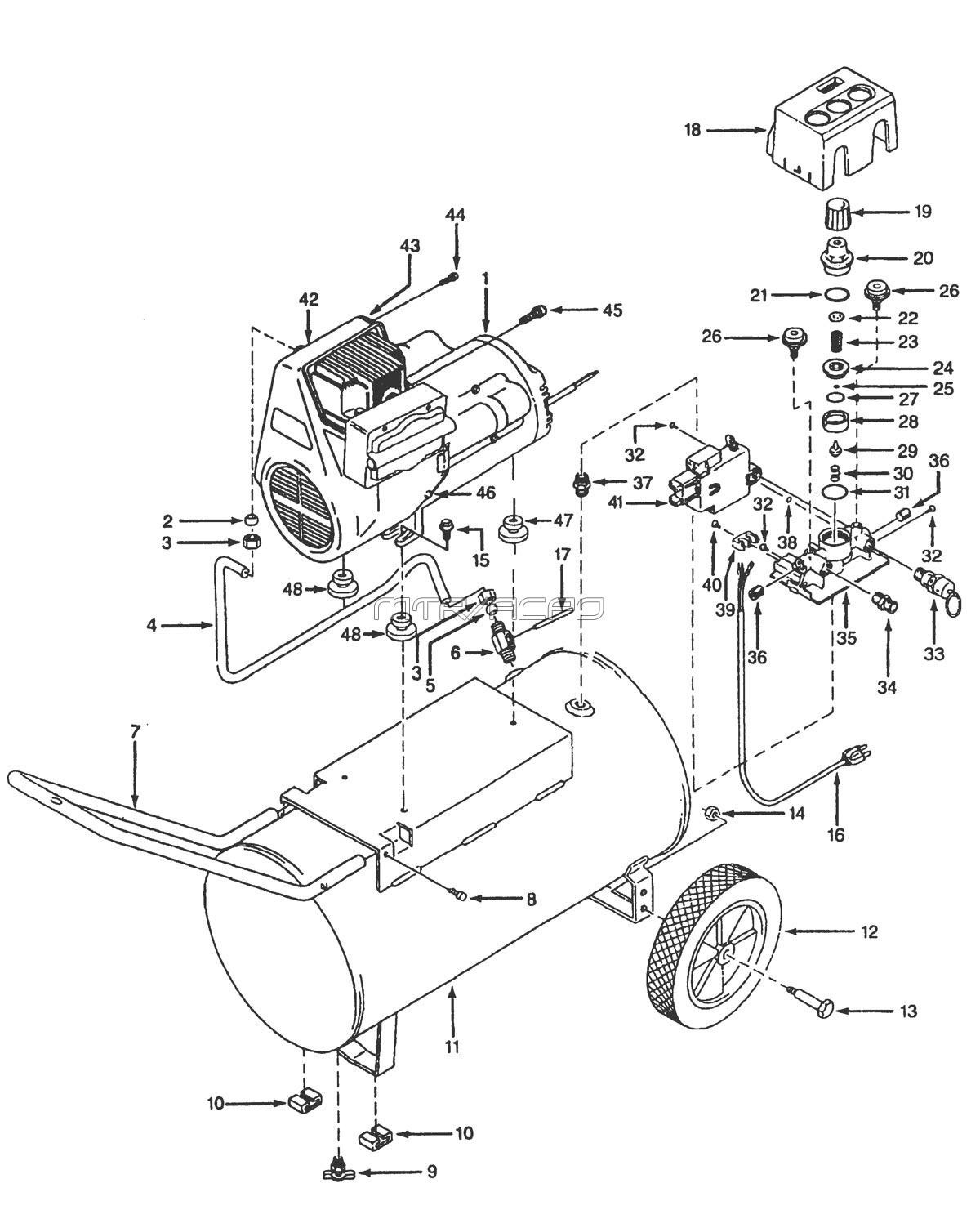
Campbell Hausfeld air compressor parts include a variety of components such as motors, pumps, and hoses. These parts ensure optimal performance and reliability for your air compressor.
Maintaining your Campbell Hausfeld air compressor is essential for its longevity and efficiency. Quality parts not only enhance performance but also reduce the risk of breakdowns. Common parts that may require replacement include air filters, pressure switches, and regulators. Understanding each component’s role helps in troubleshooting issues effectively.
Whether you are a DIY enthusiast or a professional, knowing where to find these parts can save you time and money. Reliable suppliers offer genuine parts to keep your compressor running smoothly. Invest in quality maintenance to ensure your air compressor meets your needs for years to come.
Introduction To Campbell Hausfeld Air Compressors
Campbell Hausfeld air compressors are known for their reliability and performance. They serve many industries, from home improvement to automotive. Understanding their parts is essential for proper operation.
The Legacy Of Campbell Hausfeld
Campbell Hausfeld has a rich history dating back to 1836. The brand is synonymous with quality and innovation. Here are some key points about their legacy:
- Founded over 180 years ago.
- First introduced portable air compressors.
- Focus on customer satisfaction and durability.
They continue to lead in the air compressor market. Many professionals trust their products for reliable performance.
Importance Of Maintenance For Air Compressors
Regular maintenance ensures air compressors work efficiently. Proper care extends the lifespan of the unit. Here are essential maintenance tips:
- Check oil levels frequently.
- Change the air filter regularly.
- Inspect for leaks and tighten connections.
- Drain moisture from the tank.
Neglecting maintenance can lead to costly repairs. A well-maintained compressor runs smoothly and saves money.

Credit: www.jackssmallengines.com
Common Campbell Hausfeld Compressor Models
Campbell Hausfeld offers a variety of air compressors. Each model serves different needs. Understanding these models helps you choose the right one.
Portable Air Compressors
Portable air compressors are ideal for various tasks. They are lightweight and easy to move. Here are some common portable models:
| Model | Horsepower | Tank Size (Gallons) | Max PSI |
|---|---|---|---|
| DC080500 | 1.0 HP | 8 | 125 |
| FP209499 | 1.5 HP | 6 | 125 |
| HL540100AV | 1.3 HP | 4 | 100 |
- Perfect for tire inflating
- Great for airbrushing
- Useful for small tools
Stationary Air Compressors
Stationary air compressors are designed for heavy-duty tasks. These models usually have larger tanks and more power.
| Model | Horsepower | Tank Size (Gallons) | Max PSI |
|---|---|---|---|
| VT6314 | 3.0 HP | 30 | 135 |
| VT6294 | 5.0 HP | 60 | 175 |
- Ideal for workshops
- Best for professional use
- Handles multiple tools at once
Key Components Of Air Compressors
Understanding the key components of air compressors is essential. These parts work together to deliver compressed air efficiently. Each component plays a crucial role in the overall functionality.
Motor And Pump Assembly
The motor and pump assembly is the heart of the air compressor. It powers the unit and compresses the air. Here are the main elements:
- Electric Motor: Provides the driving force.
- Piston Pump: Compresses air through a series of strokes.
- Rotary Screw Pump: Ideal for continuous operation.
These components work together to create high pressure. Regular maintenance ensures their longevity and efficiency.
Pressure Switches And Gauges
Pressure switches and gauges are vital for monitoring air pressure. They ensure that the compressor operates safely and effectively. Key points include:
- Pressure Switch: Turns the compressor on and off.
- Pressure Gauge: Displays the current air pressure.
| Component | Function |
|---|---|
| Pressure Switch | Controls compressor operation based on pressure levels. |
| Pressure Gauge | Shows real-time pressure for monitoring. |
Understanding these components helps in maintaining your Campbell Hausfeld air compressor. Proper care leads to better performance and a longer lifespan.
Wear And Tear: Recognizing Part Degradation
Every tool wears out over time. Campbell Hausfeld air compressors are no exception. Knowing how to spot part degradation helps maintain performance. Regular checks can save time and money.
Symptoms Of Failing Parts
Recognizing the symptoms of failing parts is crucial. Here are common signs to watch for:
- Unusual noises during operation
- Air leaks around fittings
- Reduced air pressure output
- Frequent resets or shut-offs
- Visible wear on hoses and fittings
Impact On Compressor Performance
Failing parts affect the overall performance of your compressor. Here are key impacts:
| Impact | Description |
|---|---|
| Reduced Efficiency | Increased energy consumption for less output. |
| Frequent Breakdowns | More repairs lead to downtime. |
| Shortened Lifespan | Neglected parts wear out quicker. |
| Poor Quality Air | Contaminated air affects tools and projects. |
Regular maintenance keeps your Campbell Hausfeld air compressor running smoothly. Check parts often to avoid costly repairs. Stay proactive to ensure long-lasting performance.
Replacement Parts: What You Need To Know
Understanding replacement parts for your Campbell Hausfeld air compressor is essential. Proper maintenance keeps your equipment running smoothly. Knowing the right parts can save time and money.
Oem Vs. Aftermarket Parts
Choosing between OEM and aftermarket parts is crucial for your air compressor’s performance. Here’s a quick comparison:
| Feature | OEM Parts | Aftermarket Parts |
|---|---|---|
| Quality | High quality, made by the manufacturer | Varies, some may be lower quality |
| Cost | Generally more expensive | Usually cheaper |
| Warranty | Often includes a warranty | Warranty varies by brand |
OEM parts ensure a perfect fit and reliable performance. Aftermarket parts offer cost savings but may lack quality.
Ensuring Compatibility
Compatibility is key for effective air compressor operation. Here are tips to ensure the right fit:
- Check the model number of your air compressor.
- Review the specifications of the replacement part.
- Consult the manufacturer’s website for part lists.
- Read customer reviews on aftermarket parts.
Using incompatible parts can lead to equipment failure. Always verify compatibility before making a purchase.

Credit: www.jackssmallengines.com
Step-by-step Guide To Replacing Parts
Replacing parts in your Campbell Hausfeld Air Compressor can enhance its performance. This guide provides clear steps to follow. With proper care, your compressor will run efficiently for years.
Safety Precautions
Before starting any replacement, prioritize safety. Follow these precautions:
- Always unplug the compressor.
- Wear safety goggles and gloves.
- Ensure the workspace is clean and dry.
- Check for any leaks or damages.
These steps help prevent accidents. Stay safe while working on your equipment.
Tools Required For Replacement
Gather the necessary tools before you start. Here’s a list:
| Tool | Purpose |
|---|---|
| Wrench Set | For loosening and tightening bolts. |
| Screwdriver Set | For removing screws from parts. |
| Replacement Parts | New parts for your compressor. |
| Air Hose | To connect the compressor to tools. |
Having the right tools makes the job easier. Check your toolbox before starting.
Troubleshooting Common Issues
Campbell Hausfeld air compressors are reliable tools. Yet, issues can arise. Knowing how to troubleshoot common problems can save time and money. Here are two common issues: leakage problems and motor malfunctions.
Leakage Problems
Air leaks can reduce efficiency and performance. Here are signs of leakage:
- Hissing noise from the compressor.
- Loss of pressure over time.
- Visible air escaping from the unit.
Follow these steps to troubleshoot:
- Inspect hoses for cracks or holes.
- Check connections and fittings for tightness.
- Examine the tank for rust or damage.
Use soapy water to test for leaks. Spray it on suspected areas. Bubbles will form where leaks exist. Replace damaged parts immediately.
Motor Malfunctions
Motor issues can stop your compressor from working. Common signs include:
- No start when turned on.
- Unusual noises during operation.
- Frequent tripping of circuit breakers.
To troubleshoot motor problems, follow these steps:
- Check the power source. Ensure it’s plugged in.
- Inspect the motor for dust or debris.
- Test the capacitor for functionality.
Refer to the user manual for specific motor checks. Replace any faulty parts as needed.
Enhancing Your Compressor’s Lifespan
Keeping your Campbell Hausfeld air compressor in top shape is crucial. Regular care can extend its lifespan. Focus on maintenance and timely repairs. This practice will save you money and ensure efficiency.
Routine Maintenance Tips
Maintaining your compressor is simple. Follow these tips for optimal performance:
- Check oil levels regularly. Low oil can damage the motor.
- Clean or replace filters monthly. Dirty filters restrict airflow.
- Inspect hoses and connections for leaks. Fix leaks immediately.
- Drain the tank weekly. Remove moisture to prevent rust.
- Keep it clean. Dust and dirt can affect performance.
When To Seek Professional Help
Some issues require expert attention. Know when to call a professional:
- Persistent air leaks despite repairs.
- Strange noises during operation.
- Frequent tripping of circuit breakers.
- Inconsistent pressure readings on gauges.
- Visible damage to compressor parts.
Ignoring these signs can lead to costly repairs. Don’t hesitate to reach out for help.
Where To Find Parts And Services
Finding the right parts for your Campbell Hausfeld air compressor is essential. Knowing where to look can save time and money. Here are some reliable options for sourcing parts and services.
Authorized Dealers And Retailers
Authorized dealers provide genuine Campbell Hausfeld parts. They ensure quality and compatibility. Here are some key benefits of using authorized dealers:
- Access to the latest parts
- Expert advice from knowledgeable staff
- Warranty protection on parts
To find an authorized dealer, visit the official Campbell Hausfeld website. Use their dealer locator tool. This tool helps you find the nearest dealer based on your zip code.
Online Resources For Parts Procurement
Online shopping offers convenience for purchasing Campbell Hausfeld parts. Many websites specialize in air compressor parts. Here are some popular online platforms:
| Website | Features |
|---|---|
| Amazon | Wide selection, user reviews, fast shipping |
| eBay | New and used parts, competitive prices |
| Home Depot | Local pickup, reliable brands |
Use search engines to find parts easily. Enter specific part numbers for best results. Always check reviews and ratings before purchasing. This ensures you buy from trusted sellers.

Credit: mastertoolrepair.com
Conclusion: Investing In Quality Maintenance
Proper maintenance of your Campbell Hausfeld air compressor ensures its longevity and efficiency. Regular upkeep keeps your equipment running smoothly. It also reduces the risk of costly repairs.
The Benefits Of Regular Upkeep
Regular maintenance offers several key benefits:
- Increased lifespan: Well-maintained compressors last longer.
- Improved performance: Regular checks enhance efficiency.
- Cost savings: Preventative care reduces repair costs.
- Safety: Proper upkeep minimizes risks during operation.
Here’s a quick overview of maintenance tasks:
| Task | Frequency | Benefits |
|---|---|---|
| Change oil | Every 100 hours | Better lubrication, reduced wear |
| Check air filter | Monthly | Improved airflow, better performance |
| Tighten bolts | Quarterly | Prevents leaks, ensures safety |
| Inspect hoses | Every 6 months | Reduces risk of failure |
Final Thoughts On Campbell Hausfeld Compressors
Campbell Hausfeld compressors stand out in the market. Their reliability and efficiency make them popular among users. Investing time in maintenance ensures these compressors perform at their best.
Users benefit from:
- Durability: Quality parts lead to longer life.
- Trust: Known for consistent performance.
- Versatility: Suitable for various tasks.
Choosing quality maintenance keeps your Campbell Hausfeld compressor operational. This leads to better results in your projects.
Frequently Asked Questions
What Are Common Campbell Hausfeld Air Compressor Parts?
Common parts include air filters, regulators, pressure switches, and hoses. These components ensure optimal performance and longevity. Regular maintenance of these parts can prevent costly repairs. Always refer to the user manual for specific part numbers and replacement guidelines.
How Do I Find Replacement Parts For Campbell Hausfeld?
You can find replacement parts online through the Campbell Hausfeld website or authorized dealers. Many retailers offer a wide selection of parts. Ensure you have the model number handy for accurate searching. Additionally, local hardware stores may carry essential components for your air compressor.
What Maintenance Do Campbell Hausfeld Parts Need?
Regular maintenance includes checking air filters, lubricating moving parts, and inspecting hoses. Keeping parts clean and free of debris enhances performance. It’s essential to replace worn or damaged components promptly. Following the manufacturer’s maintenance schedule will prolong the life of your air compressor.
Are Campbell Hausfeld Parts Interchangeable With Other Brands?
Some parts may be interchangeable, but compatibility varies by model. Always check specifications before purchasing. Using non-compatible parts can lead to reduced performance or damage. It’s best to use OEM parts for reliability and optimal function.
Conclusion
Understanding Campbell Hausfeld air compressor parts is crucial for maintenance and efficiency. Regularly checking these components can enhance performance and extend the lifespan of your compressor. Investing time in proper care pays off in reliability and effectiveness. Choose quality parts to ensure your projects run smoothly and efficiently every time.